Каталог товаров
Подшипник 1000934Л шариковый радиальный однорядный

Подшипник 1000934Л шариковый радиальный однорядный

Подшипник 1000934Л шариковый радиальный однорядный
Наименование: Подшипник 1000934Л шариковый радиальный однорядный
Артикул: 1000934л
Тип товара: Подшипники
Наличие: Есть на складе
Оформить заказ     или отправьте заявку на email: info@asoko.ru

Характеристики

Артикул 1000934л
ГОСТ 1000934Л

Дополнительная информация

ГОСТ: 1000934Л
SKF: 61934
Грузоподъемность динамическая: 89.00
Грузоподъемность статическая: 75.00
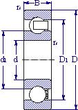
Наружный диаметр: 230.00
Внутренний диаметр: 170.00
Масса: 3.70
Ширина: 28.00
Марка стали: ШХ-15
Диаметр шарика: 17.46
Количество шариков: 20.00
Ном. частота вращен. при жидк. смазке: 2600.00
Ном. частота вращен. при пластич. смазке: 2000.00
Наружный диаметр внутреннего кольца: -
Радиус фаски: -
Размеры ролика: -
Количество роликов: -
Внутренний диаметр наружного кольца: -
Диаметр тела качения: -
Масса 1000 штук: -
Длина ролика: -
Угол контакта с наружными кольцами: -
Диаметр дорожки качения вала: -
Частота вращения: -
Радиус фаски наружного кольца: -
Диаметр дорожки качения корпуса: -
Высота: -
Дин. грузоподъемность радиальн. части: -
Дин. грузоподъемность упорной части: -
Статич. грузоподъемность радиальн. части: -
Статич. грузоподъемность упорной части: -
Диаметр канавки: -
Толщина борта канавки: -
Ширина канавки: -
Высота упорной части кольца: -
Высота упорного кольца: -
Ширина наружного кольца: -
Допускаемый угол перекоса: -
© ASOKO GROUP - Торгово-производственная компания. Все права защищены.