Каталог товаров
Подшипник 36100Е1 шариковый радиально-упорный

Подшипник 36100Е1 шариковый радиально-упорный

Подшипник 36100Е1 шариковый радиально-упорный
Наименование: Подшипник 36100Е1 шариковый радиально-упорный
Артикул: 36100е1
Тип товара: Подшипники
Наличие: Есть на складе
Оформить заказ     или отправьте заявку на email: info@asoko.ru

Характеристики

Артикул 36100е1
ГОСТ 36100Е1

Дополнительная информация

ГОСТ: 36100Е1
SKF: 7000CD
Грузоподъемность динамическая: 4.10
Грузоподъемность статическая: 1.90
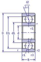
Наружный диаметр: 26.00
Внутренний диаметр: 10.00
Масса: 0.02
Ширина: 8.00
Марка стали: -
Диаметр шарика: 4.76
Количество шариков: 8.00
Ном. частота вращен. при жидк. смазке: 70000.00
Ном. частота вращен. при пластич. смазке: 53000.00
Наружный диаметр внутреннего кольца: -
Радиус фаски: -
Размеры ролика: -
Количество роликов: -
Внутренний диаметр наружного кольца: -
Диаметр тела качения: -
Масса 1000 штук: -
Длина ролика: -
Угол контакта с наружными кольцами: -
Диаметр дорожки качения вала: -
Частота вращения: -
Радиус фаски наружного кольца: -
Диаметр дорожки качения корпуса: -
Высота: -
Дин. грузоподъемность радиальн. части: -
Дин. грузоподъемность упорной части: -
Статич. грузоподъемность радиальн. части: -
Статич. грузоподъемность упорной части: -
Диаметр канавки: -
Толщина борта канавки: -
Ширина канавки: -
Высота упорной части кольца: -
Высота упорного кольца: -
Ширина наружного кольца: -
Допускаемый угол перекоса: -
© ASOKO GROUP - Торгово-производственная компания. Все права защищены.